Konektor za DC punjenje Citroen Saxo
Konektor za DC punjenje Citroen Saxo
Dal kojim slučajem neko nema konektor na prodaju sa DC pinovima, reč je o Maréchal konektoru? Pozdrav
Re: Konektor za DC punjenje Citroen Saxo
Pozdrav,
Teško ćeš to nabaviti, taj konektor nikada nije bio u prodaji (razumljivo, bio je integralni dio brzog punjača). Mogao se pribaviti samo kanibalizacijom punjača, a kako ih nije bilo previše u Francuskoj...
Uz malo truda i vještine, postojeći AC konektor se može preraditi da dobije i funkciju DC spajanja. Naprave se masivni DC kontakti sa oprugama koje osiguravaju jaku silu kontakta. Potrebno je još kratko spojiti jednu signalnu liniju kojom se ECU obavijesti da ima DC izvor spojen. Vrata konektora se ne zatvaraju, Ah mjerač se uključi i mjeri protok energije za ispravan prikaz.
Prije zahvata provjeri je li tvoj auto opremljen DC vezom između kontakta i Sagemboxa. Ranije serije nisu imale mogućnost punjenja (imale su zrakom hlađene SAFT baterije).
//Marin
P.S. Imam taj konektor.
Teško ćeš to nabaviti, taj konektor nikada nije bio u prodaji (razumljivo, bio je integralni dio brzog punjača). Mogao se pribaviti samo kanibalizacijom punjača, a kako ih nije bilo previše u Francuskoj...
Uz malo truda i vještine, postojeći AC konektor se može preraditi da dobije i funkciju DC spajanja. Naprave se masivni DC kontakti sa oprugama koje osiguravaju jaku silu kontakta. Potrebno je još kratko spojiti jednu signalnu liniju kojom se ECU obavijesti da ima DC izvor spojen. Vrata konektora se ne zatvaraju, Ah mjerač se uključi i mjeri protok energije za ispravan prikaz.
Prije zahvata provjeri je li tvoj auto opremljen DC vezom između kontakta i Sagemboxa. Ranije serije nisu imale mogućnost punjenja (imale su zrakom hlađene SAFT baterije).
//Marin
P.S. Imam taj konektor.
Re: Konektor za DC punjenje Citroen Saxo
Ima kontakte, to sam proverio 2003 je godište, mislio sam prvo odštampam na 3D štampaču ali se plašim baš tih kontakata kako ih napraviti da imaju dobar kontakt kako ne bi dolazilo do grejanja, e sad mislio sam čak i da zamenim na samom autu da stavim standardnu Type2 sa DC kontaktom ali ne znam kako bi leglo sve zbog onih vratanca jer volim da kad nešto prepravim bude kao fabrika
Ako rešiš da prodaješ samo javni za cenu
Imam neki trofazni trafo pa sam mislio da se malo igram preko zime jer sad imam 240 Ah pa sa standardnim punjačem je baš dugo punjenje. A razmišljao sam i o čoperskom punjaču ali mi je napon od 144V i struja od bar 40A malo problematična.
Re: Konektor za DC punjenje Citroen Saxo
Za brže punjenje, 3 emersona u seriju (https://www.aliexpress.com/item/1005003755306962.html) i možeš se puniti sa 12kW (ako ti je dostupno 7kW po fazi).
//Marin
//Marin
Re: Konektor za DC punjenje Citroen Saxo
E to mi treba, hvala puno, sve sam pretražio al nisam našao ovako nešto pa sam zato razmišljao o trofaznom trasformatoru, ovo je odlično, može da se ugradi u auto.
Re: Konektor za DC punjenje Citroen Saxo
niram69 je napisao/la: 09 pro 2025, 07:14 Pozdrav,
Teško ćeš to nabaviti, taj konektor nikada nije bio u prodaji (razumljivo, bio je integralni dio brzog punjača). Mogao se pribaviti samo kanibalizacijom punjača, a kako ih nije bilo previše u Francuskoj...![]()
Uz malo truda i vještine, postojeći AC konektor se može preraditi da dobije i funkciju DC spajanja. Naprave se masivni DC kontakti sa oprugama koje osiguravaju jaku silu kontakta. Potrebno je još kratko spojiti jednu signalnu liniju kojom se ECU obavijesti da ima DC izvor spojen. Vrata konektora se ne zatvaraju, Ah mjerač se uključi i mjeri protok energije za ispravan prikaz.
Prije zahvata provjeri je li tvoj auto opremljen DC vezom između kontakta i Sagemboxa. Ranije serije nisu imale mogućnost punjenja (imale su zrakom hlađene SAFT baterije).
//Marin
P.S. Imam taj konektor.![]()


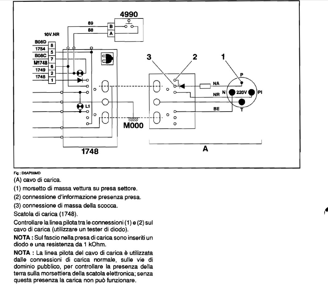
Jel beše kontakti 5 i 6 kratko spojiti kako bi ECU dobio signal da je započeto punjenje, vidim po šemi da ima dioda i otpor 1 kOhm prema uzemljenju.
P.S. dal bi prodao konektor koji poseduješ